产品展示
3ES420-10,3ES4系列二位三通电磁阀,EASUN亿日气动方向控制阀
首页 / 产品中心 / 方向控制阀
产品标题:3ES420-10,3ES4系列二位三通电磁阀,EASUN亿日气动方向控制阀
产品ID:VIB20121008233742734
品  牌:EASUN亿日
所在地:中国 上海
价  格:面议 (大量采购价格面议)
库存状态:货期待查
更新日期:2025-10-7 5:02:25
咨询电话:(+86)021-51699285
咨询Q Q: 519892866
产品简述

3ES410-10,3ES410-15,3ES420-10,3ES420-15,EASUN亿日气动控制阀,气动电磁阀,二位三通电磁阀,气动控制阀,两位三通电磁阀,两位三通电磁阀原理,三通电磁阀,五位三通电磁阀,rexroth气动电磁阀,二位三通电磁阀原理,三通控制阀

产品详情


■ 技术参数
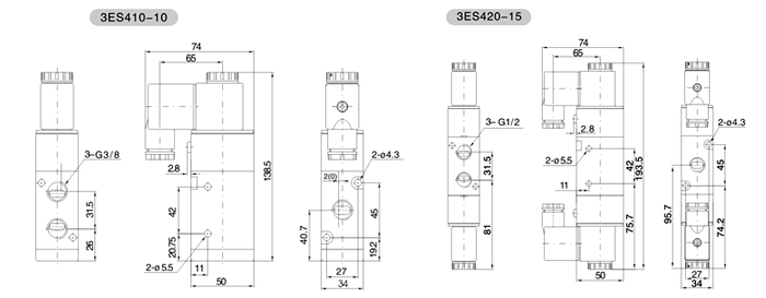
型号 3ES410-10

3ES410-15

3ES420-10

3ES420-15
工作介质 经过滤的压缩空气
动作方式 内部先导式
接管螺纹 进气=出气=排气=G1/4" 进气=出气=排气=G3/8"
工作温度 -5~60℃
有效截面积 30m㎡(CV=1.68)  50m㎡(CV=2.79)
润滑 不需要
使用压力 0.15~0.9Mpa
最大耐压力 1.35Mpa
功率 AC:3.5VA  DC:3W
保护等级 IP65(DIN40050)
接电型式 端子式
最高动作频率 每秒五次
绝缘性 F级
电压范围 -15%~+10%
最短励磁时间 0.05秒
寿命 2500万次

■ 符号

■ 型号命名

■ 举例
▲欲订购接管口径为G1/4",标准电压为AC110V(50/60Hz)的单电控双位置常通型3ES4系列电磁阀,其正确的订购代码为:3ES410-10-NO-D-AC110V
■ 外形与安装尺寸