产品展示
G522A-06手控阀,stnc手控阀,二位五通手控阀
首页 / 产品中心 / 手控阀/机控阀
产品标题:G522A-06手控阀,stnc手控阀,二位五通手控阀
产品ID:VIB20120522105037734
品  牌:STNC索诺天工
所在地:中国 上海
价  格:面议 (大量采购价格面议)
库存状态:货期待查
更新日期:2025-4-24 3:27:44
咨询电话:(+86)021-51699285
咨询Q Q: 519892866
产品简述

G522A-06,G522A-06R

产品详情



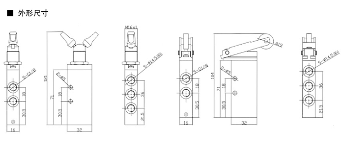
特性
产品设计合理,结构紧凑,外型美观,具有操作力小,使用简单等特点。广泛用于气动
设备的人控设备中。

技术参数

规格、项目
功能
接口管径
通径(mm)
工作介质
使用压力范围
动作方式
润滑
介质温度
G322A-06
二位三通
G1/8
6
压缩空气
惰性气体
0~1.0MPa
手板式
不需要
-5~60℃
G322A-06R
G1/8
6
滚轮式
G522A-06
二位五通
G1/8
6
手板式
G522A-06R
G1/8
6
滚轮式